E-Z-GO 607901 NGGC Governor Gear Complete - High-Quality Replacement Part for Golf Carts
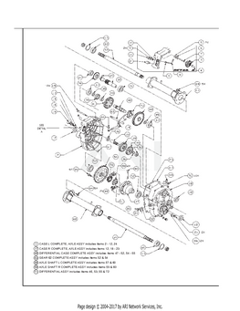
The E-Z-GO 607901 NGGC Governor Gear Complete is an essential component designed to enhance the performance and reliability of your E-Z-GO vehicle. This high-quality governor gear is engineered to meet the exact specifications of your vehicle, ensuring optimal functionality and longevity. Crafted with precision, the NGGC Governor Gear Complete is a testament to E-Z-GO's commitment to excellence and innovation in automotive parts.
This product is specifically tailored for seamless integration with your vehicle's existing systems, providing a smooth and efficient operation. The governor gear plays a crucial role in regulating the engine's speed, thereby maintaining the vehicle's performance and preventing potential damage caused by over-revving. By choosing the E-Z-GO 607901 NGGC Governor Gear Complete, you are investing in a product that promises durability and superior performance.
Ideal for both professional mechanics and DIY enthusiasts, this governor gear is easy to install, allowing for a hassle-free replacement process. Whether you are upgrading your vehicle or performing routine maintenance, the E-Z-GO 607901 NGGC Governor Gear Complete is a reliable choice that ensures your vehicle operates at its best. Trust in E-Z-GO's expertise and experience the difference in quality and performance with this essential automotive component.
E-Z-GO 607901 NGGC Governor Gear Complete - High-Quality Replacement Part for Golf Carts
$108.00
/
Your payment information is processed securely. We do not store credit card details nor have access to your credit card information.
About this product
Each component undergoes rigorous testing and inspection to ensure it meets our stringent quality standards, guaranteeing reliability, durability, and excellence.
Encryption: Shopify uses Transport Layer Security (TLS) to encrypt data during transmission, ensuring that sensitive information like credit card details is protected from unauthorized access.
Returns are easy for customers on Rainier because you can initiate returns through a simple interface, with automated return labels, and track your return status in real-time.
We offer a 30-day money-back guarantee to ensure your complete satisfaction. If you're not happy with your purchase within 30 days, you can return it for a full refund, giving you a risk-free trial period and peace of mind.