E-Z-GO ESC Assembly 48V PDS OEM-Grade For Commercial Use
Upgrade your 48V E-Z-GO Express fleet with the OEM-grade 73348G04 ESC ASY PDS-1268-COML. This PDS-based electronic speed controller is designed for commercial use and delivers precise speed control and reliable operation for 2013–2018 Express L6 and Express S6 models.
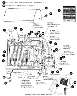
- Compatibility: Specifically engineered for 2013–2018 Express L6 and Express S6 48V models, ensuring seamless Power Drive System (PDS) integration.
- OEM-Grade Fit: Official E-Z-GO part that installs cleanly and integrates with the cart’s harness and control architecture.
- Technology: PDS (Power Drive System) controller that governs speed and torque within the 48V drive system.
- Durability: Built to withstand the rigors of commercial use, delivering steady performance under frequent operation.
- Installation: Designed for straightforward installation to minimize downtime and get carts back in service quickly.
- Efficiency: Advanced power management supports efficient energy use, contributing to longer operation between charges.
- Brand Reliability: E-Z-GO’s long-standing expertise in commercial golf carts underpins compatibility and ongoing support.
- Availability: Availability can vary due to demand, with updates on order status provided to keep fleets informed.
This ESC translates to tangible fleet benefits: improved throttle responsiveness, smoother acceleration, and a more controlled driving experience across daily routes. It’s an ideal upgrade for aging Express carts or replacements for worn controllers in 48V E-Z-GO models used in golf courses, resorts, maintenance fleets, and shuttle operations. Trust in OEM engineering to maximize compatibility with your cart’s power and electrical system while helping to minimize downtime and maintenance headaches.
E-Z-GO ESC Assembly 48V PDS OEM-Grade For Commercial Use
$8,348.00
/
Your payment information is processed securely. We do not store credit card details nor have access to your credit card information.
About this product
Each component undergoes rigorous testing and inspection to ensure it meets our stringent quality standards, guaranteeing reliability, durability, and excellence.
Encryption: Shopify uses Transport Layer Security (TLS) to encrypt data during transmission, ensuring that sensitive information like credit card details is protected from unauthorized access.
Returns are easy for customers on Rainier because you can initiate returns through a simple interface, with automated return labels, and track your return status in real-time.
We offer a 30-day money-back guarantee to ensure your complete satisfaction. If you're not happy with your purchase within 30 days, you can return it for a full refund, giving you a risk-free trial period and peace of mind.